КПР-Б9
Доступен для скачивания
краткий каталог продукции:
Дисковый поворотный затвор КПР-Б9 предназначен для управления потоком рабочей среды в трубопроводе
Особенности:
Особенности:
-
Угол полного поворота: 90°
-
Бесшумная работа
-
Долгий срок службы
Для защиты прибора от попадания инородных частиц необходима установка фильтра механической очистки перед входным отверстием крана
Для герметизации резьбовых/фланцевых металлических соединений рекомендуется использование анаэробных герметиков
Для герметизации резьбовых/фланцевых металлических соединений рекомендуется использование анаэробных герметиков
Технические характеристики:
Модификации:
Расшифровка обозначения на примере затвора КПР-Б9-050 XYZ:
КПР-Б9 – модель затвора.
050 – Ду, мм (диаметр условного отверстия).
X – присоединение: W – межфланцевое.
Y – материал корпуса: S – нержавеющая сталь.
Z – материал уплотнения: E – EPDM
Версия: 2025-05-19-СДГ
| Параметр
| Значение
|
| Рабочая среда | Вода, горячая вода, воздух, инертные газы, природный газ, азотная кислота, уксус |
| Материал
| Корпуса: нержавеющая сталь
Диска: нержавеющая сталь Уплотнения: EPDM |
| Температура рабочей среды
| −10...+120°C |
| Рабочее давление | 0,0...1,6 МПа |
| Диаметр условного прохода | 50...100 мм |
| Присоединение затвора
| межфланцевое |
| Стандарт присоединения затвора к приводу | ISO5211 |
Модификации:
| Модель
| Ду, мм
| Kv, м³/ч
| Присоединение
| Посадочный размер, мм
| Вес, г
|
| КПР-Б9-050-WSE | 50 | 105 | W2" | 9×9 | 3920 |
| КПР-Б9-065-WSE | 65 | 176 | W2½" | 9×9 | 4820 |
| КПР-Б9-080-WSE | 80 | 265 | W3" | 9×9 | 2550 |
| КПР-Б9-100-WSE | 100 | 594 | W4" | 11×11 | 3640 |
КПР-Б9 – модель затвора.
050 – Ду, мм (диаметр условного отверстия).
X – присоединение: W – межфланцевое.
Y – материал корпуса: S – нержавеющая сталь.
Z – материал уплотнения: E – EPDM
Таблица выбора привода для затвора КПР-Б9
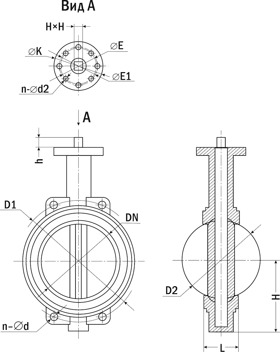
| Габаритные и присоединительные размеры |
![]() |
| Модель
| ||||||||||||
| Размеры, мм | ||||||||||||
| Dn | D1 | D2 | H | h | L | n-∅ d | n-∅ d2 | H×H | ∅ E | ∅E1 | ∅ K | |
| КПР-Б9-050 | 50 | 88 | 52 | 66 | 23 | 46 | 4-18 | 8-6,5 | 9×9 | 50 (F05) | 57 | 69 |
| КПР-Б9-065 | 65 | 101,5 | 63 | 80 | 24 | 49 | 8-19 | 8-6,5 | 9×9 | 50 (F05) | 57 | 69 |
| КПР-Б9-080 | 80 | 117 | 78 | 90 | 24 | 49 | 8-21 | 8-6,5 | 9×9 | 50 (F05) | 57 | 69 |
| КПР-Б9-100 | 100 | 150 | 104 | 108 | 25 | 56 | 4-20 | 8-9 | 11×11 | 70 (F07) | 71 | 86 |
| Документ | Дата обновления |
| Паспорт на КПР-Б9 | 12.07.2025 |

