AR570-3
Доступен для скачивания
краткий каталог продукции:
Краны шаровые трехходовые T-типа неполнопроходные с электроприводом AR570-3 предназначены для управления потоком рабочей среды в трубопроводе
Особенности:
Версия: 2025-12-25-СДГ
- Универсальный тип (T-тип) позволяет использовать кран и как переключающий, и как смесительный
- Универсальное основание позволяет легко заменить привод на любой другой из серии AR5xx: AR500, AR501, AR504SR, AR524SR, AR500E, AR510, AR520, AR560, AR564SR. Сравнительная таблица приводов серии AR5xx
- Схема управления с переключателем. В качестве переключателя К можно использовать переключатели на 3 положения SD16-V-22IR, SD16-V-22R3S, SD16-V-22K, AR-XB2-BD, AR-XB2-BJ, AR-LA800E-BLSM
- Два режима работы: автоматический (поворот вала электродвигателем) и ручной (поворот ручкой дублера)
- В автоматическом режиме ручка дублера поворачивается вместе с выходным валом, указывая его положение
- Защита трубопровода от гидравлических ударов благодаря специальной конструкции крана
- Автоматическое отключение при достижении конечного положения
- Удобство в эксплуатации и обслуживании
Для защиты прибора от попадания инородных частиц необходима установка фильтра механической очистки перед входным отверстием крана
Для герметизации резьбовых/фланцевых металлических соединений рекомендуется использование анаэробных герметиков
Для герметизации резьбовых/фланцевых металлических соединений рекомендуется использование анаэробных герметиков
Технические характеристики:
Расшифровка обозначения на примере крана AR570-3-15/10 XYZ:
AR570 – модель привода.
3 – трехходовой кран.
15 – условный диаметр прохода в мм.
10 – эффективный диаметр в мм, если Дэф < Ду.
X – присоединение: G – трубная резьба.
Y – материал корпуса: B – латунь.
Z – материал уплотнения: P – PTFE.
| Параметр | Значение |
| Тип | Шаровой трехходовой Т-типа неполнопроходной |
| Рабочая среда | Вода, горячая вода, масло, воздух |
| Материал | Корпус: латунь
Уплотнения: PTFE |
| Температура рабочей среды | +2...+90°С |
| Рабочее давление | 0...1,6 МПа |
| Диаметр условного прохода | 15...50 мм |
| Присоединение | Резьбовое G½"...G2" |
| Присоединение привода к крану | М24×1,5 |
| Угол полного поворота | 90° (вращение в обоих направлениях) |
| Схема подключения | 3-проводная с переключением |
| Модель электропривода | AR570 |
| Время полного поворота | 7 с |
| Крутящий момент | 4 Н∙м |
| Питание, ток, мощность | ~220 В, 43 мА, 8 ВA |
| Степень пылевлагозащиты привода | IP53 |
| Длина кабеля | 320 мм |
Модификации:
| Обозначение | Ду,
мм | Дэф, мм | Kv,
м³/ч | Присоединение | Pmin, МПа | Pmax, МПа | Модель
привода | Вес крана
с приводом, г |
| AR570-3-15/10 GBP | 15 | 10 | 11 | G1/2" | 0,0 | 1,6 | AR570 | 526 |
| AR570-3-20/11 GBP | 20 | 11 | 20 | G3/4" | 661 | |||
| AR570-3-25/17 GBP | 25 | 17 | 60 | G1" | 779 | |||
| AR570-3-32/24 GBP | 32 | 24 | 80 | G11/4" | 1132 | |||
| AR570-3-40/29 GBP | 40 | 29 | 110 | G11/2" | 1870 | |||
| AR570-3-50/37 GBP | 50 | 37 | 175 | G2" | 2340 |
AR570 – модель привода.
3 – трехходовой кран.
15 – условный диаметр прохода в мм.
10 – эффективный диаметр в мм, если Дэф < Ду.
X – присоединение: G – трубная резьба.
Y – материал корпуса: B – латунь.
Z – материал уплотнения: P – PTFE.
| Схема работы трехходового крана T-типа | ||
| Положение штока 1
Переключающий кран
А. Вход. В, С. Выходы. | ||
![]() | Cостояние 1: открыт путь А-В. | |
![]() | Cостояние 2: открыт путь А-C. | |
|
Положение штока 2
Смесительный кран ![]() A, B. Входы.
C. Выход.
| ||
![]() | Cостояние 1: все пути (А, В, С) открыты. | |
![]() |
Cостояние 2: вход А закрыт, В и С открыты.
| |
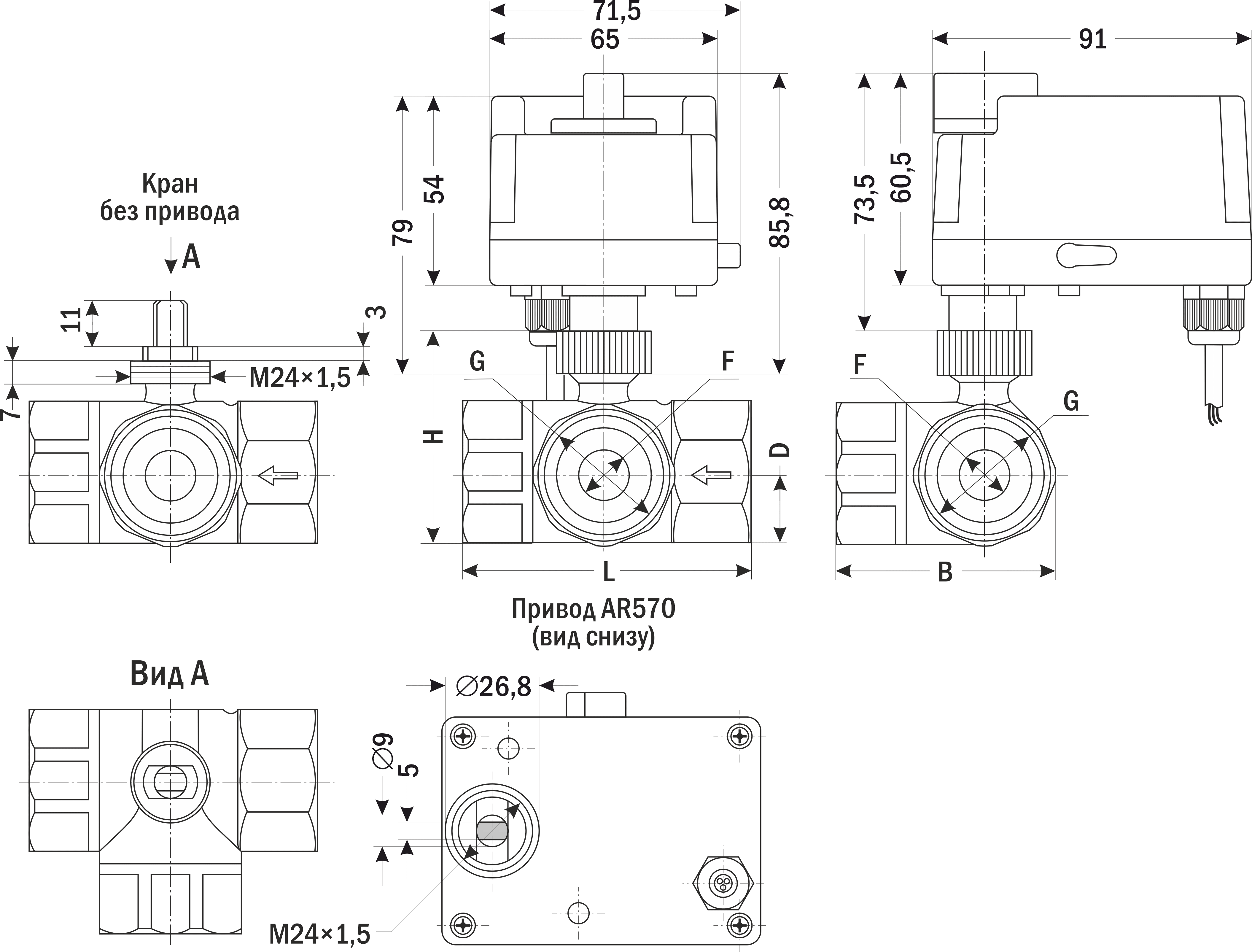
| Габаритные размеры
|
![]() |
| Размер, мм | AR570-3, Ду, мм | |||||
| -15/10 | -20/11 | -25/17 | -32/24 | -40/29 | -50/37 | |
| B | 42 | 53 | 58 | 75,5 | 94 | 105 |
| D | 14 | 16 | 20 | 27,5 | 34 | 41 |
| F (Дэф) | 10 | 11 | 17 | 24 | 29 | 37 |
| G | 1/2" | ¾" | 1" | 11/4" | 11/2" | 2" |
| H | 45 | 52 | 60 | 76 | 88 | 108 |
| L | 55,5 | 68 | 76 | 97 | 118 | 134 |
Версия: 2025-12-25-СДГ
| Документ | Дата обновления |
| Паспорт на AR570-3 | 06.03.2025 |






