КПР-Т3-L (L-тип) с электроприводом ЭПР7
Доступен для скачивания
краткий каталог продукции:
Кран шаровой трехходовой КПР-Т3-L с электроприводом ЭПР7 предназначен для управления потоком рабочей среды в трубопроводе
Особенности:
Особенности:
- Угол полного поворота: 90°
- Долгий срок службы
- Поставляется в сборе с монтажным крепежом КМКУ и переходником ПМКУ
Для защиты прибора от попадания инородных частиц необходима установка фильтра механической очистки перед входным отверстием крана
Для герметизации резьбовых/фланцевых металлических соединений рекомендуется использование анаэробных герметиков
Для герметизации резьбовых/фланцевых металлических соединений рекомендуется использование анаэробных герметиков
Технические характеристики:
Модификации:
Расшифровка обозначения на примере крана КПР-Т3-L-025/17-XYZ:
КПР-Т3 – модель крана.
L – тип крана, переключающий
025 – диаметр условного прохода.
17 – эффективный диаметр в мм.
X – присоединение: G – трубная резьба.
Y – материал корпуса: S – нержавеющая сталь.
Z – материал уплотнения: P – PTFE.
| Параметр
| Значение
|
| Тип крана | L (переключающий)
|
| Рабочая среда | Пар, вода, горячая вода, воздух, инертные
газы, природный газ, масла, азотная кислота, уксус |
| Материал | Корпуса: нержавеющая сталь
Уплотнения: PTFE |
| Температура рабочей среды | −20...+150°C |
| Рабочее давление | 0,0…6,9 МПа (0,0…1,6 МПа — для пара)
|
| Диаметр условного прохода | 15...50 мм |
| Присоединение крана
| Резьбовое G½"...G2" |
| Стандарт присоединения крана к приводу | ISO5211 |
| Модель электропривода | ЭПР7 |
| Питание электропривода | ~220 В, =24 В |
Модификации:
| Модель
| Ду, мм
| Kv, м³/ч
| Присоединение
| Посадочный размер, мм
| Вес, г
|
| КПР-Т3-L-015/11-GSP | 15 | 20 | ½" | 9×9 | 480 |
| КПР-Т3-L-020/14-GSP | 20 | 38 | ¾" | 9×9 | 680 |
| КПР-Т3-L-025/17-GSP
| 25
| 69
| 1"
| 11×11
| 930
|
| КПР-Т3-L-032/22-GSP
| 32
| 93
| 1¼"
| 11×11
| 2010
|
| КПР-Т3-L-040/28-GSP
| 40
| 144
| 1½"
| 14×14
| 3270
|
| КПР-Т3-L-050/35-GSP
| 50
| 229
| 2"
| 14×14
| 4320
|
КПР-Т3 – модель крана.
L – тип крана, переключающий
025 – диаметр условного прохода.
17 – эффективный диаметр в мм.
X – присоединение: G – трубная резьба.
Y – материал корпуса: S – нержавеющая сталь.
Z – материал уплотнения: P – PTFE.
Таблица выбора привода для крана КПР-Т3-L
| Схема работы
| ||
А. Вход В. Выход С. Выход | ||
![]() | Положение 1: перекрыт выход C, поток движется в направлении A-B. | |
![]() | Положение 2: перекрыт выход B, поток движется в направлении A-C | |
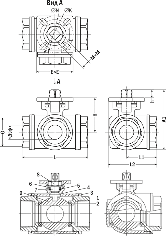
| Габаритные размеры
|
![]() |
| 1. Корпус крана.
2, 3, 5, 6. Уплотнения. 4. Прокладка. 7. Шток. 8. Гайка. 9. Шар. |
| Модель
| Ду
|
Дэф, мм |
G | Размеры, мм
| |||||||||
| A1
| E×E | H | h
| L
| L1 | L2 | M×M | ∅N | ∅K | ||||
| КПР-Т3-L-015/11
| 15
| 11
| ½"
| 67
| 44×44
| 37
| 14
| 72
| 35
| 58
| 9×9
| 36 (F03)
| 42 (F04)
|
| КПР-Т3-L-020/14
| 20
| 14
| ¾"
| 77,5
| 44×44
| 41
| 15
| 83,5
| 42
| 61
| 9×9
| 36 (F03)
| 42 (F04)
|
| КПР-Т3-L-025/17
| 25
| 17
| 1"
| 83
| 48×48
| 49
| 12
| 89
| 45
| 68
| 11×11
| 42 (F04)
| 50 (F05)
|
| КПР-Т3-L-032/22 | 32 | 22 | 1¼" | 100
| 48×48
| 56
| 12
| 128
| 64
| 97
| 11×11 | 42 (F04) | 50 (F05) |
| КПР-Т3-L-040/28 | 40 | 28 | 1½" | 131 | 71×71 | 70 | 22 | 124 | 65 | 102,5 | 14×14 | 50 (F05) | 70 (F07) |
| КПР-Т3-L-050/35 | 50 | 35 | 2" | 138 | 71×71 | 75 | 17 | 149 | 83 | 120 | 14×14 | 50 (F05) | 70 (F07) |
| Документ | Дата обновления |
| Паспорт на КПР-Т3-L | 29.07.2025 |



