КПР-2 с электроприводом ЭПР7
Доступен для скачивания
краткий каталог продукции:
Кран шаровой КПР-2 с электроприводом ЭПР7 предназначен для управления потоком рабочей среды в трубопроводе
Особенности:
Модификации:
Расшифровка обозначения на примере крана КПР-2-025 XYZ:
КПР-2 – модель крана.
025 – диаметр условного прохода в мм.
X – присоединение: G – трубная резьба.
Y – материал корпуса: S – нержавеющая сталь.
Z – материал уплотнения: P – PTFE.
Таблица выбора привода для крана КПР-2
Особенности:
- Угол полного поворота: 90°
- Долгий срок службы
- Поставляется в сборе с монтажным крепежом КМКУ и переходником ПМКУ
Для защиты прибора от попадания инородных частиц необходима установка фильтра механической очистки перед входным отверстием крана
Для герметизации резьбовых/фланцевых металлических соединений рекомендуется использование анаэробных герметиков
Для герметизации резьбовых/фланцевых металлических соединений рекомендуется использование анаэробных герметиков
| Параметр
| Значение
|
| Рабочая среда | Пар, вода, горячая вода, воздух, инертные газы, природный газ, масла, азотная кислота, уксус |
| Материал | Корпуса: нержавеющая сталь
Уплотнения: PTFE |
| Температура рабочей среды | −20...+150°C |
| Рабочее давление | 0,0…6,9 МПа (0,0…1,6 МПа — для пара)
|
| Диаметр условного прохода | 15...100 мм |
| Присоединение крана
| Резьбовое G½"...G4" |
| Стандарт присоединения крана к приводу | ISO5211 |
| Модель электропривода | ЭПР7 |
| Питание электропривода | ~220 В, =24 В |
Модификации:
| Модель
| Ду, мм
| Kv, м³/ч
| Присоединение
| Посадочный размер, мм
| Вес, г
|
| КПР-2-015 GSP | 15 | 20 | ½" | 9×9 | 300 |
| КПР-2-020 GSP | 20 | 38 | ¾" | 9×9 | 390 |
| КПР-2-025 GSP
| 25
| 69
| 1"
| 11×11 | 720
|
| КПР-2-032 GSP
| 32
| 93
| 1¼"
| 11×11 | 1030
|
| КПР-2-040 GSP
| 40
| 144
| 1½"
| 14×14 | 1870
|
| КПР-2-050 GSP
| 50
| 229
| 2"
| 14×14 | 1770
|
| КПР-2-065 GSP
| 65
| 404
| 2½"
| 17×17
| 4010
|
| КПР-2-080 GSP | 80
| 573
| 3"
| 17×17 | 5350
|
| КПР-2-100 GSP | 100 | 936 | 4" | 17×17 | 8420 |
КПР-2 – модель крана.
025 – диаметр условного прохода в мм.
X – присоединение: G – трубная резьба.
Y – материал корпуса: S – нержавеющая сталь.
Z – материал уплотнения: P – PTFE.
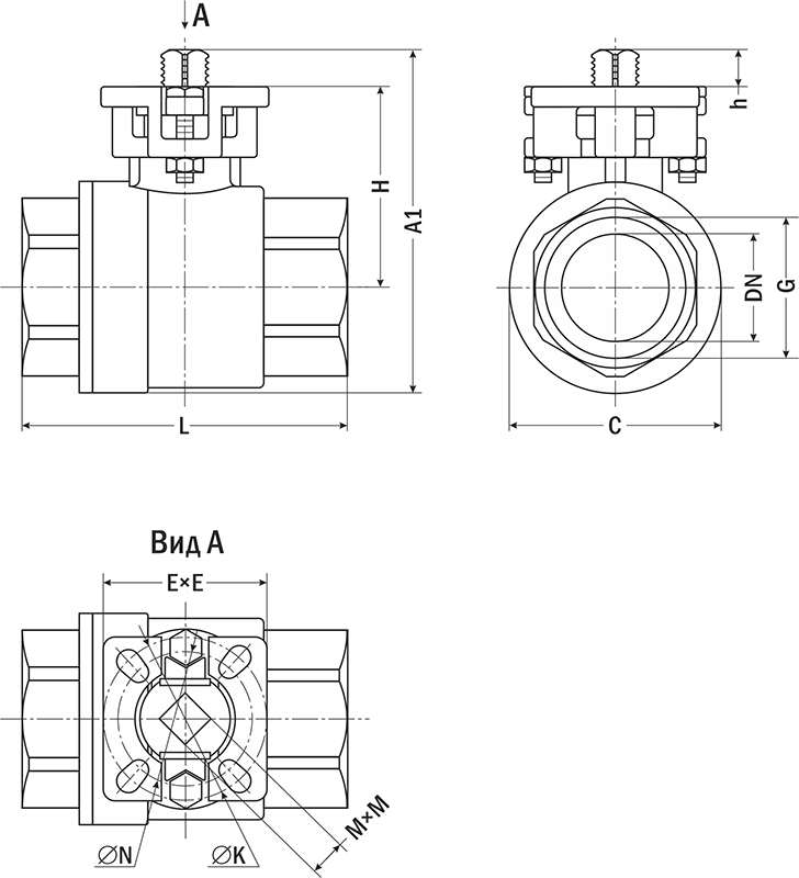
| Габаритные размеры
|
|
| Модель
| Размеры, мм
| ||||||||||
| G
| DN
| A1
| C
| E×E
| H
| h
| L
| M×M | ∅ N
| ∅ K
| |
| КПР-2-015
| 15
| ½"
| 66
| 36
| 44,5×44,5
| 35
| 13
| 6
| 9×9
| 36 (F03)
| 42 (F04)
|
| КПР-2-020
| 20
| ¾"
| 77
| 40,5
| 44,5×44,5
| 45
| 12
| 70
| 9×9
| 36 (F03)
| 42 (F04)
|
| КПР-2-025 | 25 | 1" | 87 | 50 | 51×51 | 53 | 14 | 79,5 | 11×11 | 42 (F04) | 50 (F05) |
| КПР-2-032 | 32 | 1¼" | 106 | 70 | 51×51 | 61 | 11,5 | 96 | 11×11 | 42 (F04) | 50 (F05) |
| КПР-2-040
| 40 | 1½" | 123
| 68
| 70×70
| 68
| 16
| 106
| 14×14
| 50 (F05)
| 70 (F07)
|
| КПР-2-050
| 50 | 2" | 140
| 87,5
| 68,5×68,5
| 78
| 17
| 120
| 14×14
| 50 (F05)
| 70 (F07)
|
| КПР-2-065 | 65 | 2½" | 176
| 116
| 96×96
| 98
| 21
| 145
| 17×17
| 70 (F07)
| 102 (F10)
|
| КПР-2-080 | 80 | 3" | 193
| 134
| 95×95
| 105
| 20,5
| 167
| 17×17
| 70 (F07)
| 102 (F10)
|
| КПР-2-100
| 100
| 4"
| 225
| 163
| 95,5×95,5
| 125
| 21
| 203
| 17×17
| 70 (F07)
| 102 (F10)
|
Версия: 2024-02-16-ШАР
| Документ | Дата обновления |
| Паспорт на КПР-2 | 22.06.2025 |
