КПР-1 с электроприводами ЭПР2, ЭПР2М, ЭПР2У
Доступен для скачивания
краткий каталог продукции:
Шаровые краны КПР-1 с электроприводом предназначены для управления потоком рабочей среды в трубопроводе. Они широко применяются в различных отраслях промышленности, сельском хозяйстве, ЖКХ, в системах водоснабжения и водоочистки и т. д.
Особенности:
- Взаимозаменяемость приводов ЭПР2, ЭПР2М, ЭПР2У
- Автоматическое отключение при достижении крайних положений
- Возможность применения для загрязненных и вязких сред
- Высокие показатели герметичности
- Отсутствие «застойных» зон и завихрений в корпусе
- Низкий уровень гидравлического сопротивления
- Устойчивость к механическим деформациям
- Простота конструкции и монтажа, обеспечивающие удобство в эксплуатации и обслуживании
- 3-проводная (ЭПР2, ЭПР2М) и 5-проводная (ЭПР2У) схемы подключения
- Долгий срок службы
Особенности ЭПР2М:
- Два режима работы: автоматический и ручной
- Ручной дублер – указатель положения крана
Особенности ЭПР2У:
- Aналоговый сигнал управления 4...20 мА
- Аналоговый сигнал обратной связи 4...20 мА
- Два режима работы: автоматический и ручной
Для защиты прибора от попадания инородных частиц необходима установка фильтра механической очистки перед входным отверстием крана
Для герметизации резьбовых/фланцевых металлических соединений рекомендуется использование анаэробных герметиков
Для герметизации резьбовых/фланцевых металлических соединений рекомендуется использование анаэробных герметиков
Технические характеристики:
| Параметр | Значение | |||
| Тип
| Шаровой полнопроходной
| |||
| Рабочая среда
| Пар, вода, горячая вода, воздух, инертные газы, масла
| |||
| Материалы
| Корпус | Нержавеющая сталь
| ||
| Монтажное
основание | Пластик (Ду=15...25) или нержавеющая сталь (Ду=32...50)
| |||
| Уплотнения | PTFE
| |||
| Температура рабочей среды
| −55...+120°С
| |||
| Рабочее давление
| 0,0...1,6 MПa
| |||
| Присоединение
| Резьбовое G½"...G2"
| |||
| Диаметр условного прохода
| 15...50 мм
| |||
| Угол полного поворота | 90° (вращение в обоих направлениях)
| |||
| Стандарт присоединения крана к приводу | ISO5211
| |||
| Модель электропривода | ЭПР2
|
ЭПР2М
| ЭПР2У | |
| Время открытия/закрытия | 18...19 с (Ду=15...25);
20...21 с (Ду=32...40); 27...28 с (Ду=50) | 25 с
| ||
| Крутящий момент | 10 Н∙м
| 6 Н∙м | ||
| Степень пылевлагозащиты электропривода | IP65
| |||
| Питание, ток, мощность | =10...35 В, 80 мА раб. (900 мА пик.), 3 Вт;
~220 В, 15 мА, 18 ВА
| =12...24 В, ≤100
мА, <5 Вт | ||
| Схема подключения | 3-проводная
| 5-проводная | ||
| Длина кабеля | 260 мм
| 340 мм | ||
Модификации:
| Модель
| Ду, мм
| Kv, м³/ч | Присоединение
| Посадочный размер, мм
| Pmin,
МПа | Pmax,
МПа | Модель
привода | Вес крана с
приводом, г | ||
| ЭПР2
| ЭПР2М
| ЭПР2У
| ||||||||
| КПР-1-015-GSP
| 15 | 20 | ½" | 9×9 |
0,0 |
1,6 |
ЭПР2,
ЭПР2М, ЭПР2У | 633 | 714 | 626
|
| КПР-1-020-GSP
| 20 | 38 | ¾" | 9×9 | 716 | 798 | 709
| |||
| КПР-1-025-GSP | 25 | 69 | 1" | 9×9 | 842 | 917 | 835 | |||
| КПР-1-032-GSP | 32 | 93 | 1¼" | 9×9 | 1261 | 1343 | 1254 | |||
| КПР-1-040-GSP
| 40 | 144 | 1½" | 9×9 | 1460 | 1543 | 1456
| |||
| КПР-1-050-GSP | 50 | 229 | 2" | 9×9 | 1985 | 2067 | 1977 | |||
Расшифровка обозначения на примере крана КПР-1-015-XYZ:
КПР-1 – модель крана.
015 – диаметр условного прохода в мм.
X – присоединение: G – трубная резьба.
Y – материал корпуса: S – нержавеющая сталь.
Z – материал уплотнения: P – PTFE.
КПР-1 – модель крана.
015 – диаметр условного прохода в мм.
X – присоединение: G – трубная резьба.
Y – материал корпуса: S – нержавеющая сталь.
Z – материал уплотнения: P – PTFE.
Описание прибора:Шаровой кран КПР-1 с электроприводом состоит из двух основных функциональных узлов: 1) электропривода, который осуществляет поворот шара, перекрывающего проходящий через кран поток жидкости/газа, и 2) крана, в котором установлен шар с проходным отверстием, чтобы перекрывать поток. Конструкция обеспечивает компактность и герметичность крана.
Подробнее об устройстве крана и подключении электропривода (ЭПР2, ЭПР2М, ЭПР2У) см. руководства по экплуатации.
Подробнее об устройстве крана и подключении электропривода (ЭПР2, ЭПР2М, ЭПР2У) см. руководства по экплуатации.
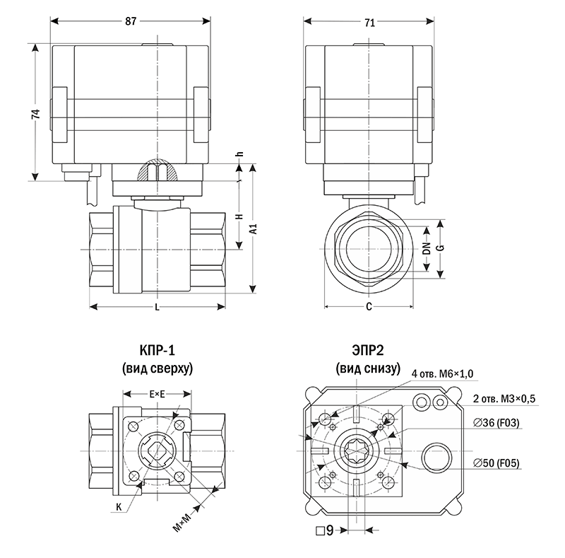
| Габаритные размеры | |
| КПР-1 с ЭПР2 | |
![]() | |
| КПР1 с ЭПР2М | |
![]() | |
| КПР1 с ЭПР2У | |
![]() | |
| Модель
| DN
| G
| Размеры, мм
| |||||||
| A1
| C
| E×E | H
| h
| L
| M×M |
∅K
| |||
| КПР-1-015 GSP
| 15
| ½" | 55
| 33
| 45
| 33
| 5,5
| 55
| 9×9 | 50 (F05)
|
| КПР-1-020 GSP
| 20
| ¾" | 62
| 39
| 45
| 36
| 5,5
| 70
| 9×9 | 50 (F05)
|
| КПР-1-025 GSP
| 25
| 1"
| 68
| 45,5
| 45
| 39
| 5,5
| 73
| 9×9 | 50 (F05)
|
| КПР-1-032 GSP | 32 | 1¼" | 90 | 62 | 50 | 53 | 5,5 | 94 | 9×9 | 50 (F05) |
| КПР-1-040 GSP | 40 | 1½" | 98 | 70 | 50 | 58 | 7,5 | 100 | 9×9 | 50 (F05) |
| КПР-1-050 GSP | 50 | 2" | 113 | 85 | 50 | 64 | 7,5 | 117,5 | 9×9 | 50 (F05) |
Версия: 2022-04-01-ЛВС
| Документ | Дата обновления |
| Паспорт на КПР-1 | 11.10.2022 |
| Паспорт на ЭПР2У | 11.10.2022 |
| Паспорт на ЭПР2М | 11.10.2022 |
| Паспорт на ЭПР2 | 11.10.2022 |



