ARP-MH-S
Доступен для скачивания
краткий каталог продукции:
Пневматический захват ARP-MH-S параллельного типа двустороннего действия с 2, 3 или 4 пальцами
Особенности:
- Клиновидная конструкция захвата позволяет развивать большое удерживающее усилие
- Различные возможности монтажа датчиков положения
- Легкая и компактная конструкция
- Долгий срок службы
Принцип действия и область применения: Работа пневмозахвата основана на поочередной подаче воздуха в пневматические каналы питания. При этом расположенные внутри захвата поршни (2, 3 или 4 в зависимости от количества пальцев) одновременно осуществляют движение в направлении к центру захвата или от него.
Палец захвата представляет собой соединенные напрямую поршень и губку. Губки захвата перемещаются навстречу друг другу (закрытие) или в противоположном направлении (открытие). Захват полезной нагрузки может осуществляться двумя способами:
Палец захвата представляет собой соединенные напрямую поршень и губку. Губки захвата перемещаются навстречу друг другу (закрытие) или в противоположном направлении (открытие). Захват полезной нагрузки может осуществляться двумя способами:
- по внешнему контуру (извне) при закрытии
- по внутреннему контуру (изнутри) при открытии

При выборе модели захвата необходимо учитывать следующие критерии:
- вес манипулируемых деталей: захват необходимо подбирать таким образом,чтобы его удерживающее усилие превосходило вес детали в 10-20 раз;
- коэффициент трения между захватом и деталью;
- пространственная компоновка деталей.
Технические характеристики:
| Параметр | ARP-MH-S2-20
| ARP-MH-S3-25 | ARP-MH-S4-32 |
| Количество пальцев захвата | 2
| 3
| 4
|
| Рабочая среда | Отфильтрованный сжатый воздух, с содержанием или без содержания масла | ||
| Принцип действия | Двустороннего действия | ||
| Точность позиционирования | ±0,01 мм | ||
| Материал корпуса | Алюминий | ||
| Материал уплотнения | NBR | ||
| Температура рабочей среды | −10...+60°С | ||
| Присоединение воздуховода | M5×0,8 | ||
| Рабочее давление
| 0,2...0,6 МПа
| 0,1...0,6 МПа
| |
| Диаметр | 20 мм | 25 мм | 32 мм |
| Длина хода | 4 мм | 6 мм | 8 мм |
| Удерживающее усилие при 0,5 МПа
- Внешний захват - Внутренний захват |
37 Н 42 Н |
42 Н 47 Н |
55 Н 61 Н |
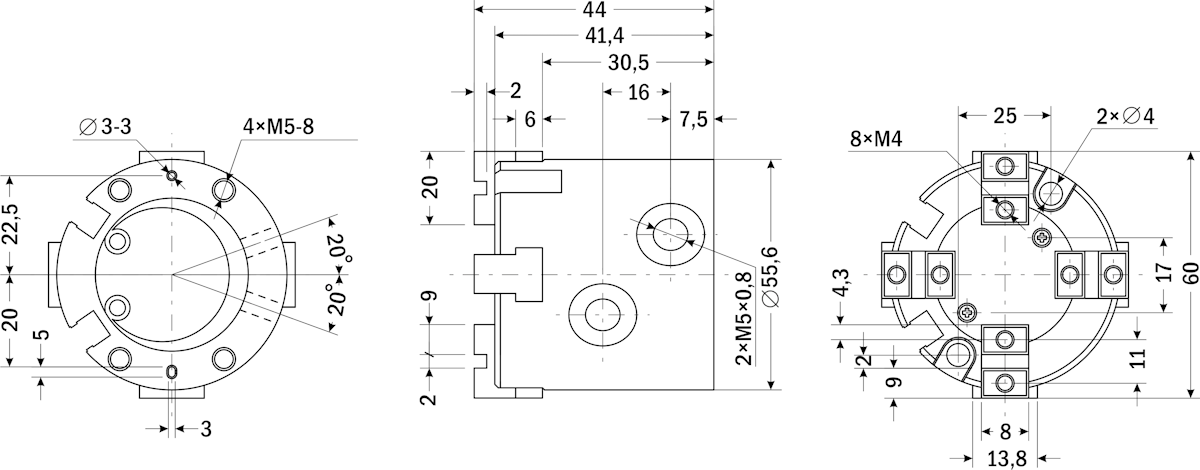
| Габаритные размеры | 36×35,7×38,2 мм | 43×42×40 мм | 60×55,6×44 мм |
| Вес | 95 г | 133 г | 300 г |
| Габаритные размеры |
ARP-MH-S2-20 |
ARP-MH-S3-25 |
| ARP-MH-S4-32 |
Версия: 2022-12-26-ЛВС
| Документ | Дата обновления |
| Паспорт на ARP-MH-S | 01.11.2025 |
