AZH-B
Доступен для скачивания
краткий каталог продукции:
Вакуумный эжектор AZH-B предназначен для создания вакуума с помощью кинетической энергии струи сжатого воздуха
Особенности:
Особенности:
- Модификации:
− S для более глубокого ваккума (до −88 кПа)
− L для большего вакуумного расхода (до 75 л/мин) - Быстроразъемное подключение
- Одноступенчатый (одно сопло)
- Встроенный глушитель
- Компактность и малый вес
- Отсутствуют подвижные элементы, что увеличивает срок службы и упрощает обслуживание
- Промышленные роботы
- Погрузочно-разгрузочные работы
- Автомобильная промышленность
- Обработка листового металла
- Деревообработка
- Упаковочная промышленность
- Пищевая промышленность
В основе работы эжектора лежит эффект Вентури. Сжатый воздух входит через порт Р и проходит через сопло. В результате сразу за соплом возникает область падения давления (вакуум), что вызывает подсос воздуха через порт вакуума V. Втянутый и сжатый воздух смешиваются и удаляются от места всасывания энергией сжатого воздуха, а далее сбрасываются через порт сброса (выхлопа) С

Технические характеристики:
| Параметр
| Значение
|
| Рабочая среда
| Сжатый воздух без содержания масла
|
| Макс. вакуум
| −48 кПа, −88 кПа
|
| Макс. вакуумный расход
| 5...75 л/мин
|
| Расход воздуха
| 13,5...78 л/мин
|
| Номинальное рабочее давление
| 0,45 МПа
|
| Уровень шума
| 68...72 дБА
|
| Материал корпуса
| термопластик ПБТ
|
| Рабочая температура
| +5...+50°C
|
| Диаметр сопла
| 0,5 мм, 0,7 мм, 1 мм, 1,3 мм
|
| Присоединение
| Быстроразъемное
∅ 6 мм, ∅ 10 мм – выход вакуума ∅ 6 мм, ∅ 8 мм – вход сжатого воздуха |
| Модификации прибора. Обозначение для заказа
|
![]() |
1 Диаметр сопла
|
Модификации:
| Модель
| Диаметр сопла, мм
| Макс. вакуум, кПа
| Макс. вакуумный расход, л/мин
| Расход воздуха, л/мин
| Уровень шума, дБА
| Вход сжатого воздуха
| Выход вакуума
| Габаритные размеры, мм
| Вес, г
| ||
| S
| L
| S
| L
| ||||||||
| AZH05B-06-06
| 0,5
| −88
| −48
| 5
| 9
| 13,5
| 68
| ∅ 6 мм
| ∅ 6 мм
| 16×60×31
| 24
|
| AZH07B-06-06
| 0,7
| 12
| 22
| 23,5
| ∅ 6 мм
| ∅ 6 мм
| 16×60×31
| 24
| |||
| AZH10B-06-06
| 1,0
| 24
| 34
| 46
| 72
| ∅ 6 мм
| ∅ 6 мм
| 18×63×31,5
| 26
| ||
| AZH13B-08-10
| 1,3
| 40
| 75
| 78
| ∅ 8 мм
| ∅ 10 мм
| 23×78×38,5
| 66
| |||
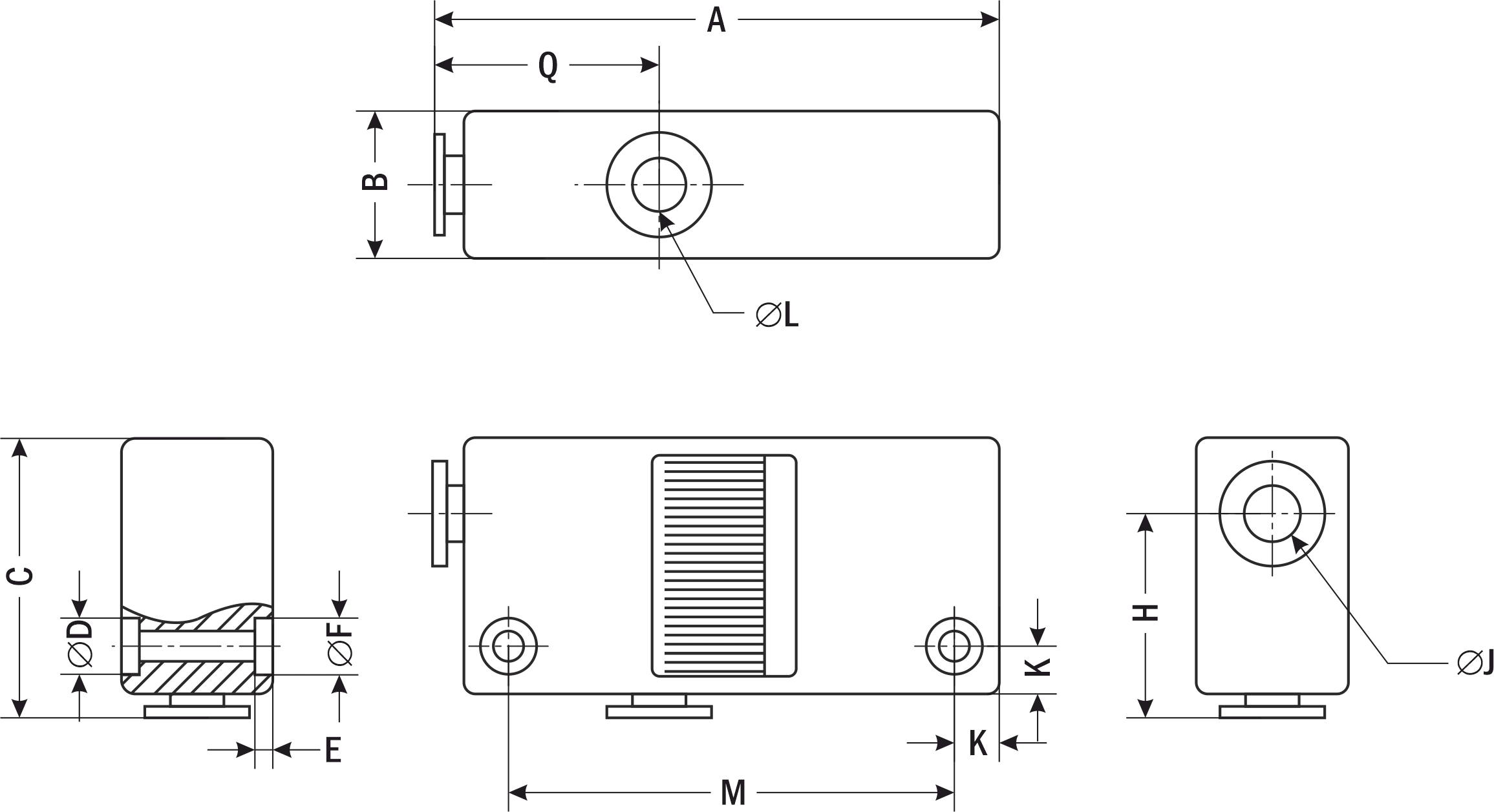
| Габаритные размеры |
![]() |
| Модель
| Размеры, мм
| |||||||||||
| A
| B
| C
| ∅D
| E
| ∅F
| M
| K
| ∅L
(выход вакуума) | ∅J
(вход сжатого воздуха) | Q
| H
| |
| AZH05B-06-06
| 60
| 16
| 31
| 6
| 2
| 3
| 47
| 4,5
| 6
| 6
| 24
| 22
|
| AZH07B-06-06
| 60
| 16
| 31
| 6
| 2
| 3
| 47
| 4,5
| 6
| 6
| 24
| 22
|
| AZH10B-06-06
| 63
| 18
| 31,5
| 6
| 2
| 6
| 50
| 4,5
| 6
| 6
| 25
| 21
|
| AZH13B-08-10
| 78
| 23
| 38,5
| 7.5
| 3
| 4
| 61
| 7
| 10
| 8
| 28
| 27,5
|
Версия: 2024-07-03-ШАР


