КПР-Б7
Доступен для скачивания
краткий каталог продукции:
Дисковый поворотный затвор КПР-Б7 предназначен для управления потоком рабочей среды в трубопроводе
Особенности:
Модификации:
Расшифровка обозначения на примере затвора КПР-Б7-050 XYZ:
КПР-Б7 – модель затвора.
050 – Ду, мм (диаметр условного отверстия).
X – присоединение: W – межфланцевое.
Y – материал корпуса: H – чугун.
Z – материал уплотнения: E – EPDM
Особенности:
- Угол полного поворота: 90°
- Бесшумная работа
- Долгий срок службы
- Простая установка
- Внимание! Если у крана и привода различаются посадочные размеры, то для соединения потребуется монтажный комплект и переходники (не входят в комплект поставки). Менеджеры подбирают их дополнительно при заказе
Для защиты прибора от попадания инородных частиц необходима установка фильтра механической очистки перед входным отверстием крана
Для герметизации резьбовых/фланцевых металлических соединений рекомендуется использование анаэробных герметиков
Для герметизации резьбовых/фланцевых металлических соединений рекомендуется использование анаэробных герметиков
| Параметр
| Значение
|
| Рабочая среда | Вода, горячая вода, воздух, инертные газы, природный газ, азотная кислота, уксус |
| Материал
| Корпуса: чугун
Диска: чугун Уплотнения: EPDM |
| Температура рабочей среды
| −10...+120°C |
| Рабочее давление | 0,0...1,6 МПа |
| Диаметр условного прохода | 50...600 мм |
| Присоединение затвора
| межфланцевое |
| Стандарт присоединения затвора к приводу | ISO5211 |
Модификации:
| Модель
| Ду, мм
| Kv, м³/ч
| Присоединение
| Посадочный размер, мм
| Вес, г
|
| КПР-Б7-050 WHE | 50
| 105
| W2"
| 11×11
| 2290
|
| КПР-Б7-065 WHE | 65
| 176
| W2,5"
| 11×11
| 3027
|
| КПР-Б7-080 WHE | 80
| 265
| W3"
| 11×11
| 3041 |
| КПР-Б7-100 WHE | 100
| 594
| W4"
| 11×11
| 4442
|
| КПР-Б7-125 WHE | 125
| 950
| W5"
| 14×14
| 6100
|
| КПР-Б7-150 WHE | 150
| 1622
| W6"
| 14×14 | 7520
|
| КПР-Б7-200 WHE | 200
| 2957
| W8" | 17×17 | 12 330
|
| КПР-Б7-250 WHE | 250
| 4711
| W10" | 22×22
| 18 800
|
| КПР-Б7-300 WHE | 300
| 7126
| W12" | 22×22
| 29 450
|
| КПР-Б7-350 WHE | 350
| 10 205
| W14" | 22×22 | 41 300
|
| КПР-Б7-400 WHE | 400
| 13 950
| W16" | 27×27
| 61 000
|
| КПР-Б7-450 WHE | 450
| 18 232
| W18" | 27×27 | 79 000
|
| КПР-Б7-500 WHE | 500
| 22 937
| W20" | 36×36
| 128 000
|
| КПР-Б7-600 WHE | 600
| 34 429
| W24" | 36×36
| 188 000
|
КПР-Б7 – модель затвора.
050 – Ду, мм (диаметр условного отверстия).
X – присоединение: W – межфланцевое.
Y – материал корпуса: H – чугун.
Z – материал уплотнения: E – EPDM
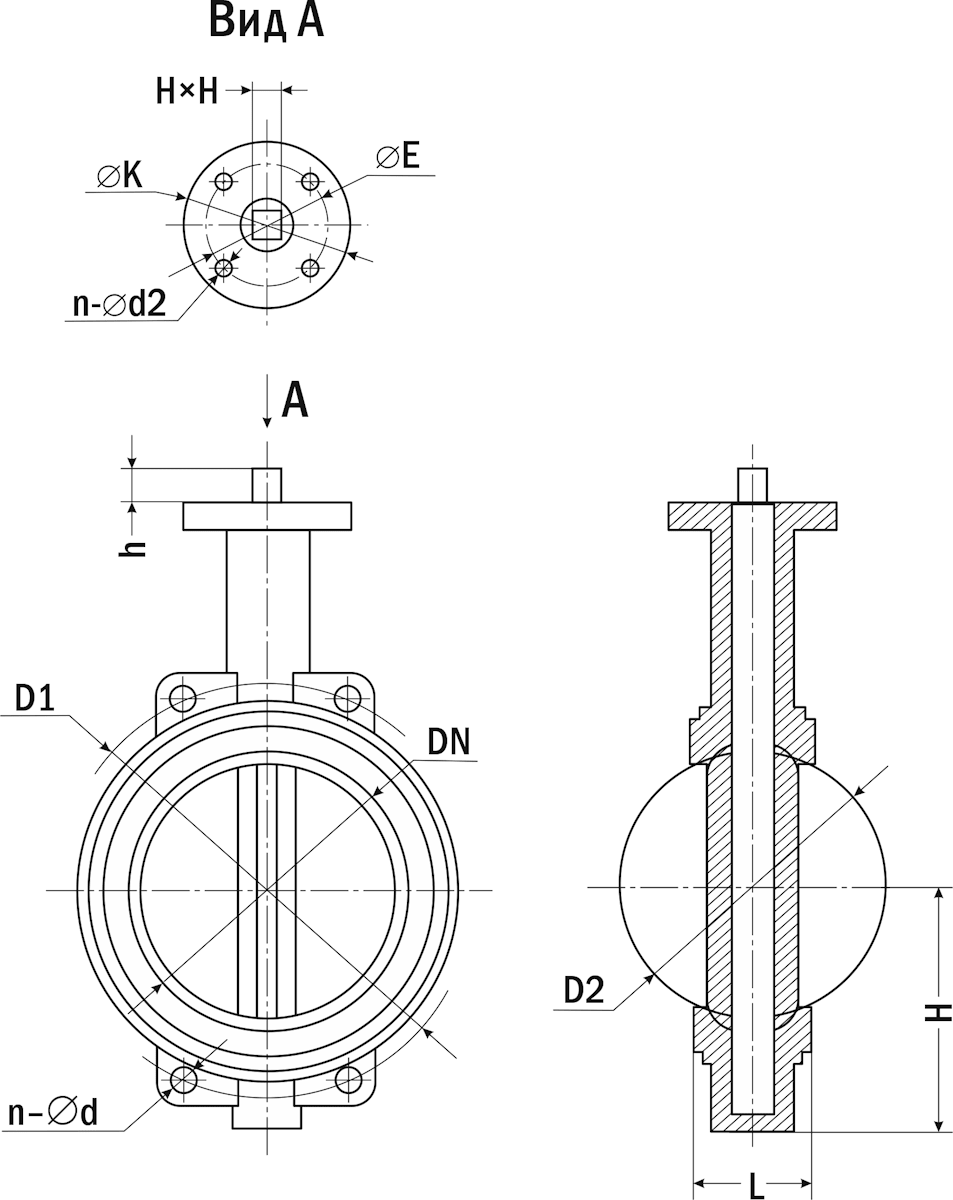
Таблица выбора привода для крана КПР-Б7
| Габаритные размеры
|
![]() |
| Модель
| |||||||||||
| Размеры, мм | |||||||||||
| Dn | D1 | D2 | H | h | L | n-∅ d | n-∅ d2 | H×H | ∅ E | ∅ K | |
| КПР-Б7-050
| 50
| 93
| 51 | 81 | 14
| 46 | 4-19
| 4-9 | 11×11
| 70 (F07) | 91 |
| КПР-Б7-065
| 65
| 106 | 66 | 88 | 14
| 49 | 4-19 | 4-9
| 11×11
| 70 (F07) | 91 |
| КПР-Б7-080
| 80
| 127
| 78 | 96
| 13
| 49 | 4-28
| 4-10
| 11×11
| 70 (F07) | 91 |
| КПР-Б7-100
| 100
| 151
| 103 | 113
| 15
| 56
| 4-24
| 4-10
| 11×11
| 70 (F07) | 91 |
| КПР-Б7-125
| 125
| 210
| 123
| 127
| 17
| 54
| 8-18
| 4-10
| 14×14
| 70 (F07) | 90
|
| КПР-Б7-150
| 150
| 240
| 156
| 139
| 17
| 56
| 8-22
| 4-10
| 14×14
| 70 (F07) | 90
|
| КПР-Б7-200
| 200
| 295
| 202,5
| 175
| 22
| 61
| 8-22
| 4-12
| 17×17
| 102 (F10) | 125
|
| КПР-Б7-250
| 250
| 350
| 250,5
| 203
| 25
| 66
| 12-22
| 4-12
| 22×22
| 102 (F10) | 125
|
| КПР-Б7-300
| 300
| 400
| 302
| 242
| 25
| 76,5
| 12-22
| 4-12
| 22×22
| 102 (F10) | 125
|
| КПР-Б7-350
| 350
| 460
| 333
| 267
| 25
| 77
| 16-22
| 4-12
| 22×22
| 102 (F10) | 125
|
| КПР-Б7-400
| 400
| 515
| 390
| 309
| 40
| 86
| 16-26
| 4-18
| 27×27
| 140 (F14) | 175
|
| КПР-Б7-450
| 450
| 565
| 440,5
| 328
| 40
| 106
| 20-26
| 4-18
| 27×27
| 140 (F14) | 175
|
| КПР-Б7-500
| 500
| 620
| 491,5
| 361
| 50
| 130
| 20-26
| 4-18
| 36×36
| 140 (F14) | 175
|
| КПР-Б7-600 | 600
| 725
| 592,5
| 459
| 60
| 151
| 20-30
| 4-22
| 36×36
| 165 (F16) | 210
|
Версия: 2025-05-19-СДГ
| Документ | Дата обновления |
| Паспорт на КПР-Б7 | 12.07.2025 |

